○諏訪市浄化槽法事務処理要領
平成12年3月28日
告示第17号
(趣旨)
第1条 この事務処理要領は、知事の権限に属する事務の処理の特例に関する条例(平成11年長野県条例第46号)の規定に基づき、浄化槽法(昭和58年法律第43号。以下「法」という。)、環境省関係浄化槽法施行規則(昭和59年厚生省令第17号。以下「省令」という。)及び浄化槽工事の技術上の基準並びに浄化槽の設置等の届出及び設置計画に関する省令(昭和60年厚生省、建設省令第1号)の施行について、事務処理に必要な事項を定めるものとする。
(設置届出等)
第2条 設置届出等に係る書類の提出は、次に掲げるとおりとする。
(2) 市長は、設置届出等の提出を受けた場合は、正本1部、副本1部を速やかに特定行政庁に送付するものとする。
(3) 市長は、特定行政庁から副本の送付を受けた場合において当該設置届出等を適当と認めたときは、副本の設置届出等適正確認書に公印を押印して(この場合、契印は押印せずに)届出人に交付するものとする。
2 設置届出等の添付書類は、次に掲げるとおりとする。
ア 型式認定浄化槽にあっては、工場生産浄化槽認定シートの写し
イ アに掲げる浄化槽以外の浄化槽にあっては、当該浄化槽の構造を明らかにする構造図、仕様書及び処理工程図
ウ 浄化槽の設置場所の周辺500mの状況を記入した見取図
エ 当該浄化槽が処理するし尿等を排出する建物の種類を記載した書類及び建物等の平面図等人員算定、汚水量の計算の基礎となる書類及び図面
オ 当該浄化槽の保守点検又は清掃若しくはその両方を業者に委託する予定の場合は、当該保守点検業者等の名称を記載した書類
カ 当該浄化槽の処理対象人員が501人以上の場合、技術管理者の履歴書及びその資格を証する書類
キ その他市長又は特定行政庁が必要と認める書類
(2) 構造又は規模の変更の届出には、次に掲げる書類又は図面を添付しなければならない。ただし、特定行政庁に提出する正本には、ウの書類は、添付する必要がない。
イ 変更後の浄化槽の構造図及び仕様書並びに処理工程に変更がある場合には、変更後の処理工程図
ウ 規模の変更により処理対象人員が501人を越えることとなる場合は、前号のカに規定する書類
3 設置届出等の審査は、次の事項に留意して行うものとする。
(1) 浄化槽を設置しようとする場所が、保守点検及び清掃が行い易い場所であること。
(2) 浄化槽を設置しようとする場所が、公共下水道の設置区域又は近い将来下水道の敷設が予定されている区域など浄化槽の設置が望ましくない区域に入っていないこと。
(3) 放流先の河川等は、原則として水量があり滞留していないこと。
(4) 前項に規定する添付書類が全て添付されていること。
(5) その他、諏訪市浄化槽設置に関する指導基準(平成12年諏訪市告示第18号)の遵守状況
2 届出人に対し改善の勧告をした場合は、設置届出等改善勧告通知書(様式第5号)により、速やかに特定行政庁に通知するものとする。
3 計画の改善を勧告されたにもかかわらず、当初計画どおりに浄化槽の設置等をした場合、浄化槽の使用開始後に使用の停止等を命ぜられることになるので、市長は計画の改善が確実になされるよう指導するものとする。
(工事完了報告書)
第4条 設置届出等を提出した者は、当該浄化槽の工事が完了したときは、工事完了報告書(様式第6号)を市長に1部提出しなければならない。
(工事完了確認)
第5条 市長は、第4条の規定による工事完了報告書の提出を受けた場合は、工事の完了確認をするものとする。
2 前項の完了確認は、次に掲げる事項に留意して行うものとする。
(1) 当該浄化槽が、設置届出等に記載された位置に設置されていること。
(2) 当該浄化槽の設置場所は、定期的に保守点検及び清掃が行いうる位置であること。
(3) 当該浄化槽の上に運転機能、保守点検及び清掃に支障を及ぼすような建築物その他の工作物がないこと。
(4) 放流先の河川等が、原則として水量があり滞留していないこと。
(5) 型式認定浄化槽である場合は、型式認定の表示が見やすい場所に掲示してあること。
3 市長は、工事完了確認の結果適当であると認めたときは、工事完了確認書(様式第7号)を、当該浄化槽の設置者に交付するものとする。
(使用開始報告書)
第6条 法第10条の2第1項に規定する報告は、浄化槽使用開始報告書(様式第8号)に、省令第5条第1項に規定する使用開始直前の保守点検の記録を添付して行わなければならない。
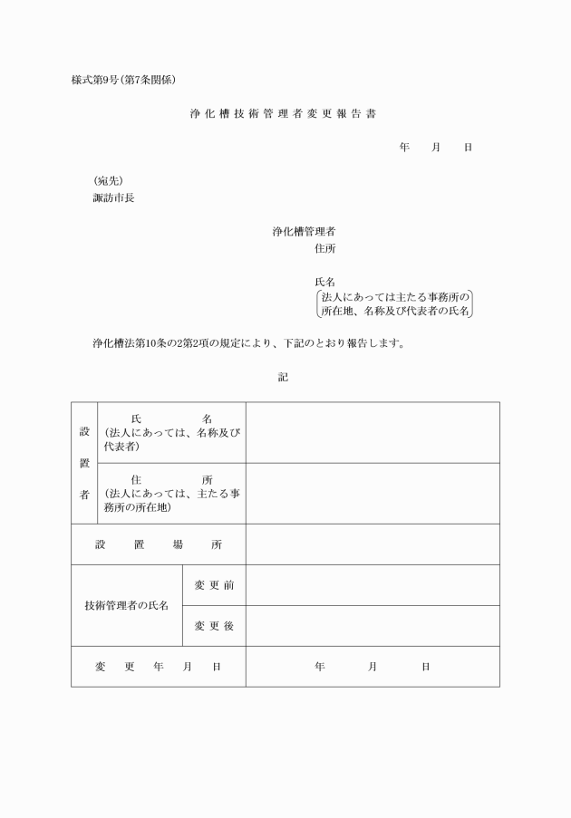
(技術管理者変更報告書)
第7条 法第10条の2第2項に規定する報告は、浄化槽技術管理者変更報告書(様式第9号)に、新たに浄化槽技術管理者になった者の履歴書及びその資格を証する書類を添付して行わなければならない。
(浄化槽管理者変更報告書)
第8条 法第10条の2第3項に規定する報告は、浄化槽管理者変更報告書(様式第10号)に、管理者の変更の原因となった事実を証する書類を添付して行わなければならない。
(使用休止届出書)
第9条 法第11条の2第1項に規定する届出は、浄化槽使用休止届出書(様式第11号)に、同項に規定する浄化槽の清掃の記録を添付して行わなければならない。
(使用再開届出書)
第10条 法第11条の2第2項に規定する届出は、浄化槽使用再開届出書(様式第12号)により行わなければならない。
(廃止届出書)
第11条 法第11条の3に規定する届出は、浄化槽廃止届出書(様式第13号)により行わなければならない。
(知事への報告)
第12条 市長は、使用開始報告書、技術管理者変更報告書、浄化槽管理者変更報告書、浄化槽使用休止届出書及び浄化槽使用再開届出書を受理した場合は、その写しを添えて長野県知事へ報告するものとする。
(立入検査)
第13条 市長は、次の事項に留意して立入検査を行うものとする。
(1) 法第5条第2項に規定する生活環境保全及び公衆衛生上の支障の有無の確認
(2) その他、浄化槽が適正に設置できることを確認するために必要な事項
(水質検査及び定期検査の受検指導)
第14条 市長は、浄化槽管理者等に対し、設置届出時に法第7条に規定する水質検査及び法第11条本文に規定する定期検査(以下「法定検査」という。)の検査申込書を提出するよう指導する等法定検査の受検を指導、啓発するものとする。
附則
この告示は、平成12年4月1日から施行する。
附則(令和2年3月19日告示第50号)
この告示は、令和2年4月1日から施行する。
附則(令和3年2月1日告示第15号)
この告示は、令和3年4月1日から施行する。
附則(令和3年3月17日告示第42号)
(施行期日)
1 この告示は、令和3年4月1日から施行する。
(経過措置)
2 この告示の施行の際現にあるこの告示による改正前のそれぞれの告示の様式による用紙については、当分の間、これを取り繕って使用することができる。
附則(令和7年2月1日告示第12号)
(施行期日)
1 この告示は、令和7年4月1日から施行する。
(経過措置)
2 この告示の施行の際現にあるこの告示による改正前のそれぞれの告示の様式による用紙については、当分の間、これを取り繕って使用することができる。












